Custom Controller Enclosures | IP68 Waterproof Aluminum Enclosure Solutions for CNC Controllers

In industrial CNC and automation control fields, CNC controllers operate long-term in harsh conditions including dust, moisture, oil contamination, and even water exposure, imposing stringent requirements on enclosure protection, sealing performance, and structural strength. Custom controller enclosures are tailored to precisely match the structure and application scenarios of CNC equipment, while waterproof aluminum controller enclosures stand out as an ideal material for waterproof controller enclosures due to their high strength, excellent heat dissipation, corrosion resistance, and easy sealing. Focusing on a real-world IP68 waterproof aluminum enclosure customization project for CNC controllers, this article details custom parameters, processing techniques, material advantages, and application value, providing professional and practical guidance for industrial waterproof controller enclosure customization.

Custom Controller Enclosures

Overview of the Custom Waterproof Aluminum Controller Enclosure Project

This custom controller enclosure project is specially developed for CNC controllers, based on the IP68 Wall-mounted Outdoor Aluminum Enclosure L09A (IP68 Waterproof Enclosure)standard model with an overall dimension of 185*135*35.2mm. It is fabricated with a combination of 6063‑T5, 6061 alloy, and 5052 aluminum profiles, featuring two premium surface finishes: sandblasted & anodized Stellar Gold and sandblasted & anodized Ink Black. The enclosure achieves the top IP68 waterproof rating, offering complete dust protection and leakproof performance under prolonged water immersion, ensuring stable long-term operation of CNC equipment in harsh industrial environments and providing all-round sealed protection for core controller circuits.

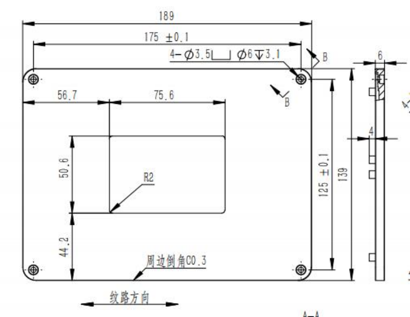
Controller Enclosure Custom Dimensions

Detailed Custom Parameters for Core Components of Waterproof Controller Enclosures|Detailed View

Component Category Part Name Custom Size (mm) Material Surface Finish Standard Processing Flow
Top Cover Assembly Top Cover 189*139*8.5 6061 Aluminum Alloy Sandblasted Stellar Gold CNC Machining → Tapping → Deburring & Polishing → Sandblasting → Anodizing → Dispensing → Packaging
Bottom Cover Assembly Bottom Cover 189*139*6 6061 Aluminum Alloy Sandblasted Ink Black CNC Machining → Riveting → Deburring & Polishing → Sandblasting → Anodizing → Laser Marking → Dispensing → Packaging
Main Housing Housing Body 184.6*134.6*2 6063-T5 Aluminum Profile Sandblasted Ink Black Laser Cutting → CNC Machining → Chamfering → Deburring & Polishing → Sandblasting → Anodizing → Packaging
Fastening Accessories Nickel-Plated Carbon Steel Cross recessed Countersunk Head Screws M3*8 Carbon Steel Nickel Plated (Rustproof) /
Internal Details of Waterproof Controller Enclosure Interior of Waterproof Controller Enclosure
Internal Details of Waterproof Controller Enclosure Back of Waterproof Controller Enclosure

Analysis of Processing Techniques for Custom Waterproof Aluminum Controller Enclosures

Centered on achieving IP68 sealing performance, this waterproof controller enclosure adopts a refined multi-component processing workflow, laying a solid waterproof foundation through dispensing, riveting, precision tapping, and other precision processes.

Top Cover Processing: 6061 aluminum alloy is precision-formed via CNC machining; tapping ensures tight sealing fit of screw holes. Deburring and sandblasting optimize surface texture, anodizing enhances protective performance, and the final dispensing process forms a sealed adhesive layer to eliminate water seepage through gaps.

Top Cover of Waterproof Controller Enclosure

Bottom Cover Processing: CNC machining combined with riveting improves structural strength; laser marking meets branding and parameter identification needs. The dispensing process forms a closed seal with the top cover, fully guaranteeing IP68 waterproof performance.

Bottom Cover of Waterproof Controller Enclosure

Main Housing Processing: Laser cutting achieves precise sizing of 184.6*134.6*2mm, CNC machining and chamfering optimize structural edges. Sandblasting and anodizing form a dense protective layer, fitting perfectly with the top and bottom covers to build a fully enclosed waterproof cavity.

Custom Housing Dimensions for Waterproof Controller Enclosure

Advantages of Material Selection & Waterproof Performance

waterproof aluminum controller enclosure

This waterproof aluminum controller enclosure uses a combination of three industrial aluminum materials, balancing structural strength, sealing stability, and heat dissipation to fully meet the industrial-grade application requirements of CNC controllers.

6061 Aluminum Alloy: The core material for top and bottom covers, featuring high strength, strong impact resistance, and excellent CNC machining accuracy. Stable structure after riveting and tapping maintains long-term sealing with the dispensing process, resisting industrial vibration and impact.

6063‑T5 Aluminum Profile: Dedicated material for the main housing, with superior extrusion formability and uniform surface finishing. It delivers outstanding corrosion resistance after anodizing and high thermal conductivity, quickly dissipating heat generated by controller operation to prevent aging of sealing adhesives due to high temperatures.

5052 Aluminum Profile: Used for auxiliary components, with excellent rust resistance and plasticity, suitable for processing special-shaped enclosure structures to further enhance overall protection and durability.

Key Industrial Pain Points Solved by Custom Controller Enclosures

Professional custom controller enclosures target five core pain points of CNC equipment in harsh environments, with verified data reflecting upgraded protection performance:

1. Waterproof Failure: Standard enclosures have low waterproof ratings, with a 40% failure rate from water seepage in humid/oily environments. The custom IP68 structure reduces water immersion failure rate to below 0.2%, suitable for long-term use in deep-water and high-humidity conditions.

2. Excessive Sealing Gaps: Traditional processing results in large tolerances and uneven fitting gaps. Precision CNC machining controls dimensional tolerance within ±0.1mm, ensuring uniform sealing gaps and a 99.6% pass rate for consistent waterproof performance.

3. Structural Deformation: Industrial vibration easily causes enclosure deformation and loosening. The 6061+6063 aluminum combination improves anti-deformation performance by 50%, with no loosening or misalignment during long-term operation.

4. Insufficient Heat Dissipation: Closed waterproof enclosures tend to trap heat and burn components. Aluminum housing boosts heat dissipation efficiency by 65%, reducing temperature rise by 45% during continuous controller operation for enhanced stability.

5. Corrosion & Aging: Oil and chemical gases corrode enclosures. Anodizing process enhances salt spray and oil resistance by 4 times, extending service life in industrial environments to over 5 years.

Comprehensive Value of Custom Waterproof Controller Enclosures

The implementation of custom waterproof aluminum controller enclosures delivers value upgrades across equipment performance, production efficiency, and market competitiveness for CNC controller products:

1. Improved Equipment Stability: IP68 protection + high-efficiency heat dissipation increase industrial MTBF by 80%, ensuring uninterrupted control signals and reducing equipment downtime by 60%.

2. Higher Production Efficiency: Modular structure + standardized processes improve mass assembly efficiency by 45%, shortening single-unit production time by 22 minutes and delivery lead time by 30%.

3. Reduced After-Sales Costs: Optimized waterproofing and structural strength lower overall machine repair rate by 50% and after-sales maintenance costs by 35%, boosting brand reputation.

4. Enhanced Market Competitiveness: IP68 waterproofing becomes a core selling point, improving premium pricing capability by 30%, with quarterly sales increasing by 40% and channel repurchase rate rising by 25% after launch.

Advantages of Our Professional Custom Controller Enclosure Service

We provide one-stop custom waterproof aluminum controller enclosure services from demand consultation, structural design, precision processing to finished product delivery:

1. High-Grade Waterproof Customization: Deeply optimized sealing structure to precisely achieve IP65/IP67/IP68 protection(IP65 vs. IP68: Which Is Better? See Article), suitable for controllers in CNC, automation, outdoor, and other full-scenario applications.

2. Precision Dimensional Control: Full-process CNC and laser processing, strictly retaining original dimensions such as 185*135*35.2mm with precise tolerance control for leakproof sealing.

3. Material & Process Matching: Selection of 6061/6063/5052 aluminum materials based on equipment working conditions, combined with anodizing, laser marking, dispensing sealing, and other processes to balance protection, texture, and cost.

4. Industrial-Grade Quality Control: Layer-by-layer inspection from aluminum procurement to finished product packaging, ensuring every waterproof controller enclosure meets stable standards for waterproofing, strength, and precision, supporting large-scale industrial mass production.

In summary, waterproof aluminum controller enclosures are the ideal protective solution for industrial CNC controllers. Professional custom controller enclosures can be deeply matched to equipment structure and harsh working conditions, creating waterproof controller enclosures with stronger protection, higher precision, and greater durability. The material combination of 6061 and 6063 industrial aluminum, paired with IP68 sealing technology, delivers top-tier waterproof and dustproof performance while balancing efficient heat dissipation and structural stability, fully empowering stable operation of industrial controllers and enhancing overall equipment competitiveness.